#58. JM504, JM554 with SL4100BT or SL4105BT engine.
798mm length. 14 spline, 29.6mm OD both ends. Circlip 35mm in from one end only.
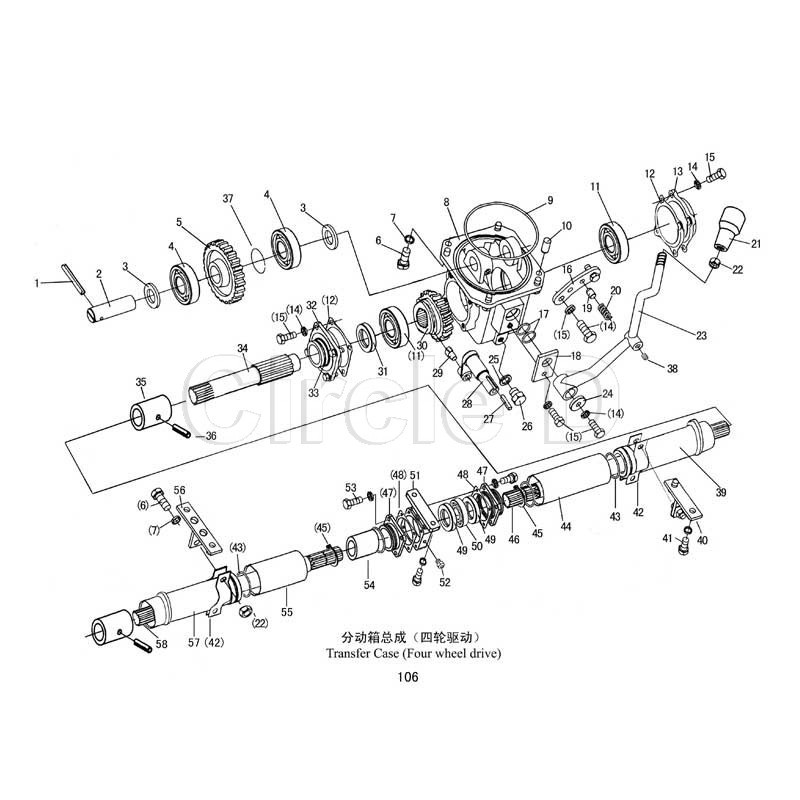
There are possible variants of all parts.
Always compare the dimensions we provide.
#58. JM404, JM454 with SL3105 engine. 667mm length. 14 spline, 29.8mm OD both ends. Circlip...
#58. JM404, JM454, JM504 with Xinchai 490BT engine. 736mm length. 14 spline, 29.6mm both...
#58. JM554, JM604, JM654 with YTR4105T engine. 787mm length. 14 spline, 29.6mm OD both ends....
#58. JM504, JM554 with SL4100BT or SL4105BT engine.
798mm length. 14 spline, 29.6mm OD both ends. Circlip 35mm in from one end only.